ما متعهد هستیم که برای هر سناریویی که نیاز به چرخاندن مهر و موم های چرخشی دارد ، یک راه حل تثلیث طولانی مدت "مقاومت در برابر فشار محافظت کند" ارائه دهیم. از طریق 200+ فرمول مواد و ثبت اختراعات ساختاری ، ما به مشتریان کمک می کنیم تا نرخ خرابی را کاهش داده و به بهینه سازی TCO برسیم. کل سری مدل های محصول بسیار متنوع است. شما می توانید با توجه به نیازهای واقعی انتخاب کنید ، یا اینکه مهر و موم های چرخشی چرخش را از ما سفارشی کنید.
RCR101 SKELETON ROTARY SKELETON تک لب ، تک بازیگری ، نصب شیار باز محوری ، که به طور گسترده مورد استفاده قرار می گیرد ، بیشتر به عنوان یک عنصر محافظ برای یاتاقان ها استفاده می شود.
RCR102 SKELETON ROTARY SKELETON DOUBLE LIP مهر و موم ، تک بازیگری ، با لب کمکی ضد گرد و غبار ، نصب شیار باز محوری ، که به طور گسترده مورد استفاده قرار می گیرد ، بیشتر به عنوان یک عنصر محافظ برای یاتاقان ها استفاده می شود.
مهر و موم چرخشی RCR103 ، بازیگری مضاعف ، با حلقه پشتیبانی ، اثر آب بندی بهتر در شرایط آب بندی دوار با فشار بالا.
RCR104 ، مهر و موم چرخشی RCR105 ، بازیگری مضاعف ، شیار باریک ، تعبیه شیار پایدار و سطح آب بندی دندانه دار.
RCR106 ، RCR107 مهر و موم چرخشی به شکل V ، حرکت محوری ، مدول الاستیک بزرگ ، مقاومت اصطکاک ، گرد و غبار ، آلاینده ها ، چلپ چلوپ آب ، چلپ چلوپ روغن و غیره.
مهر و موم چرخشی RCR108 ، تک بازیگری ، بدون بهار ، تداخل لب های داخلی و بیرونی با توجه به شرایط مختلف کار تعیین می شود.
حلقه O RCR109 ، حلقه الاستیک که بیشتر برای آب بندی استاتیک یا آب بندی پویا ، انتخاب متوسط دمای انعطاف پذیر استفاده می شود. برای شیارهای دقیق ، لطفاً به نمونه حلقه O مراجعه کنید.
مهر و موم Tetrafluoroethylene RCR110 برای شافت ، بازیگری مضاعف ، مناسب برای شیارهای باریک.
مهر و موم Tetrafluoroethylene RCR111 برای سوراخ ، بازیگری مضاعف ، مناسب برای شیارهای باریک.
مهر و موم چرخشی RCR112 ، بازیگری مضاعف ، شیار باریک ، مناسب برای شرایط کار روغن کاری.
مهر و موم چرخشی RCR113 ، بازیگری مضاعف ، با حلقه پشتیبانی ، تعبیه شیار پایدار ، اجازه شکاف و فشار اکستروژن بزرگتر ، که بیشتر در شافت چرخان تجهیزات حفاری استفاده می شود.
مهر و موم Tetrafluoroethylene RCR115 برای شافت ، بازیگری مضاعف ، اصطکاک کم ، فشار زیاد ضد طرف ، خوردگی دمای ضد بالا.
مهر و موم Tetrafluoroethylene RCR116 برای سوراخ ، بازیگری مضاعف ، اصطکاک کم ، فشار زیاد ضد طرف ، خوردگی دمای ضد بالا.
مهر و موم RCR117 ، RCR121 ROTARY PTFE ، با چشمه Mander ، مقاومت در برابر خوردگی با دمای بالا ، مناسب برای سرعت و فشار زیاد نسبتاً بالا.
مهر و موم چرخشی RCR118 END PTFE ، با چشمه Mander ، مقاومت در برابر خوردگی با دمای بالا ، که بیشتر در صنعت شیمیایی استفاده می شود.
RCR119 SKELETON ROTARY SKELETON تک لب ، تک بازیگری ، نصب شیار باز محوری ، که به طور گسترده مورد استفاده قرار می گیرد ، بیشتر به عنوان یک عنصر محافظ برای یاتاقان ها استفاده می شود.
RCR201 ، RCR202 Skeleton Rotary Skeleton Double Lip مهر و موم ، تک بازیگری ، با لب کمکی ضد گرد و غبار ، نصب شیار باز محوری ، که به طور گسترده مورد استفاده قرار می گیرد ، بیشتر به عنوان یک عنصر محافظ برای یاتاقان ها استفاده می شود.
RCR203 ، RCR204 SKELETON ROTARY SIRES SENES ، Single Lip ، Fivantion Fividation Fividation Fividation ، محوری ، محوری ، که بیشتر در صنایع سنگین مانند متالورژی و کشتی سازی استفاده می شود.
RCR205 بریدگی اسکلت چرخشی بدون لب ، تک عمل ، تک عملیاتی ، محوری باز کردن نصب ثابت ، که بیشتر در صنایع سنگین مانند متالورژی و کشتی سازی استفاده می شود.
RCR206 ، RCR207 Cut-Off Rotary Framleless مهر و موم تک لب ، تک بازیگری ، فیکسچر شیار باز محوری نصب ثابت ، که بیشتر در صنایع سنگین مانند متالورژی و کشتی سازی استفاده می شود. مناسب برای آب بندی کم سرعت ، محیط آب بندی گریس مبتنی بر لیتیوم است.
ویژگی ها و برنامه های کاربردی محصول:
برنامه های اصلی
چرخش مهر و موم های چرخشی برای مهر و موم های انتهای شافت ، آب بندی شافت چرخان ، بیل مکانیکی ، اتصالات چرخشی ، توزیع کنندگان دوار و این نوع مهر و موم اغلب در صنایع نفتی و شیمیایی استفاده می شود.
مزایا
چرخش مهر و موم های چرخشی دارای طیف گسترده ای از رسانه های سازگار و دامنه دما ، اثر آب بندی خوب ، مقاومت در برابر فشار بالا ، اندازه مقطع کوچک ، مقاومت روغن هیدرولیک ، اصطکاک کم و بدون پدیده چوب است.

RCR101
اندازه سفارش
φd ...... قطر بیرونی
φd ...... قطر داخلی
L ...... عرض شیار
|
پایان سطح |
r tmax (μm) |
RA (μm) |
|
مهر و موم های لاستیکی/پلی اورتان سطح کشویی سطح کشویی مهر و موم های PTFE سطح کشویی سطح |
≤2.5
≤2 |
0.1-0.5
0.05-0.3 |
|
زیر شیار طرف شیار |
6.3 ≤15 |
≤1.6 ≤3 |
|
نسبت طول پشتیبانی از پروفایل TP |
50 ٪ -95 ٪ |
|
|
تحمل |
|
|
φd |
f8 |
|
φd |
H8 |
سفارش مثال
مدل: RCR101
اندازه شیار: 100x115x8
مواد: NBR/POM

نوع مهر: RCR101 ، RCR102
کاربرد اصلی: مناسب برای مهر و موم شدن انتهای شافت
مزایا: مناسب برای طیف گسترده ای از رسانه ها ، دامنه دما گسترده و اثر آب بندی خوب
مواد: پلی اورتان ، لاستیک/پلیوکسی متیلن
|
نمونه های شیار مهر |
موارد زیر ابعاد شیار استاندارد است (مهر و موم های چرخشی به هر اندازه در محدوده اندازه قابل تولید هستند) |
|||||
|
|
|
φd |
φd |
L |
ج |
|
|
6-59.9 |
φd+12 |
7 |
6 |
|||
|
60-139.9 |
φd+15 |
8 |
7.5 |
|||
|
140-299.9 |
φd+20 |
10 |
10 |
|||
|
300-499.9 |
φd+30 |
12 |
15 |
|||
|
500-800 |
φd+40 |
20 |
20 |
|||
|
800 پوند |
φd+50 |
22 |
25 |
|||

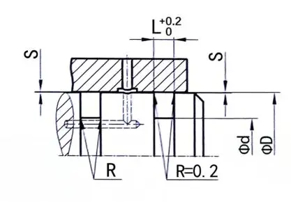
RCR115
اندازه سفارش
φd ...... قطر بیرونی
φd ...... قطر داخلی
L ...... عرض شیار
|
پایان سطح |
r tmax (μm) |
RA (μm) |
|
مهر و موم های لاستیکی/پلی اورتان سطح کشویی سطح کشویی مهر و موم های PTFE سطح کشویی سطح |
≤2.5
≤2 |
0.1-0.5
0.05-0.3 |
|
زیر شیار طرف شیار |
6.3 ≤15 |
≤1.6 ≤3 |
|
نسبت طول پشتیبانی از پروفایل TP |
50 ٪ -95 ٪ |
|
|
تحمل |
|
|
φd |
f8 |
|
φd |
H8 |
سفارش مثال
مدل: RCR115
اندازه شیار: 100x111x4.2
مواد: PTFE4+NBR

نوع مهر: RCR115
برنامه اصلی: مناسب برای مهر و موم های چرخشی ، بیل مکانیکی ، اتصالات چرخان.
مزایا: می تواند در برابر فشار زیاد مقاومت کند ، از نظر مقطع کمی برخوردار باشد ، در برابر روغن هیدرولیک مقاوم است ، اصطکاک کم و پدیده ای از لغزش ندارد.
مواد: tetrafluoroethylene + لاستیک نیتریل یا فلوئوروبربر
|
نمونه های شیار مهر |
موارد زیر ابعاد شیار استاندارد است (مهر و موم های چرخشی به هر اندازه در محدوده اندازه قابل تولید هستند) |
||||||||
|
|
|
φd |
φd |
L |
R |
X |
حداکثر شکاف اکستروژن S |
||
|
100 نوار |
200 نوار |
||||||||
|
6-18.9 |
φd+4.9 |
2.2 |
0.4 |
1.78 |
0.15 |
0.10 |
|||
|
19-37.9 |
φd+7.5 |
3.2 |
0.6 |
2.62 |
0.20 |
0.15 |
|||
|
38-199.9 |
φd+11 |
4.2 |
1.0 |
3.53 |
0.25 |
0.20 |
|||
|
200-255.9 |
φd+15.5 |
6.3 |
1.3 |
5.33 |
0.30 |
0.25 |
|||
|
256-649.9 |
φd+21 |
8.1 |
1.8 |
7.00 |
0.30 |
0.25 |
|||
|
650 پوند |
φd+28 |
9.5 |
2.5 |
8.40 |
0.45 |
0.30 |
|||

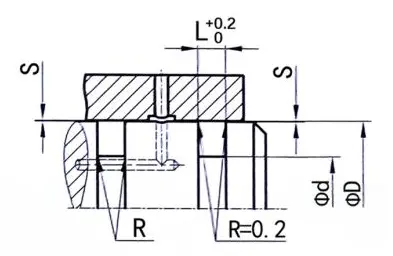
RCR116
اندازه سفارش
φd ...... قطر بیرونی
φd ...... قطر داخلی
L ...... عرض شیار
|
پایان سطح |
r tmax (μm) |
RA (μm) |
|
مهر و موم های لاستیکی/پلی اورتان سطح کشویی سطح کشویی مهر و موم های PTFE سطح کشویی سطح |
≤2.5
≤2 |
0.1-0.5
0.05-0.3 |
|
زیر شیار طرف شیار |
6.3 ≤15 |
≤1.6 ≤3 |
|
نسبت طول پشتیبانی از پروفایل TP |
50 ٪ -95 ٪ |
|
|
تحمل |
|
|
φd |
f8 |
|
φd |
H8 |
سفارش مثال
مدل: RCR116
اندازه شیار: 100x89x4.2
مواد: PTFE4+NBR

نوع مهر: RCR116
برنامه اصلی: مناسب برای مهر و موم های انتهای شافت دوار ، بیل مکانیکی ، چنگک ، اتصالات دوار ، توزیع کنندگان دوار.
مزایا: برای طیف گسترده ای از رسانه ها و دما مناسب است ، دارای اثر آب بندی خوب ، اندازه مقطع کوچک ، مقاومت شدید در برابر روغن هیدرولیک ، اصطکاک کم و پدیده لغزش چوب نیست.
مواد: tetrafluoroethylene + لاستیک نیتریل یا فلوئوروبربر
|
نمونه های شیار مهر |
موارد زیر ابعاد شیار استاندارد است (مهر و موم های چرخشی به هر اندازه در محدوده اندازه قابل تولید هستند) |
||||||||
|
|
|
φd |
φd |
L |
R |
حلقه O |
حداکثر شکاف اکستروژن S |
||
|
100 نوار |
200 نوار |
||||||||
|
8-39.9 |
φd-4.9 |
2.2 |
0.4 |
1.78 |
0.15 |
0.10 |
|||
|
40-79.9 |
φd-7.5 |
3.2 |
0.6 |
2.62 |
0.20 |
0.15 |
|||
|
80-132.9 |
φd-11.0 |
4.2 |
1.0 |
3.53 |
0.25 |
0.20 |
|||
|
133-329.9 |
φd-15.5 |
6.3 |
1.3 |
5.33 |
0.30 |
0.25 |
|||
|
330-669.9 |
φd-21.0 |
8.1 |
1.8 |
7.00 |
0.30 |
0.25 |
|||
|
670 پوند |
φd-28.0 |
9.5 |
2.5 |
8.40 |
0.45 |
0.30 |
|||

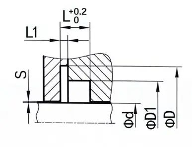
RCR117
اندازه سفارش
φd ...... قطر بیرونی
φd1 ...... قطر بیرونی
φd ...... قطر داخلی
L ...... عرض شیار
L1 ...... عرض شیار
|
پایان سطح |
r tmax (μm) |
RA (μm) |
|
مهر و موم های لاستیکی/پلی اورتان سطح کشویی سطح کشویی مهر و موم های PTFE سطح کشویی سطح |
≤2.5
≤2 |
0.1-0.5
0.05-0.3 |
|
زیر شیار طرف شیار |
6.3 ≤15 |
≤1.6 ≤3 |
|
نسبت طول پشتیبانی از پروفایل TP |
50 ٪ -95 ٪ |
|
|
تحمل |
|
|
φd |
f8 |
|
φd |
H8 |
سفارش مثال
مدل: RCR117
اندازه شیار: 100x117.5x110.5x7.1x1.8
مواد: PTFE4+V

نوع مهر: RCR117
کاربرد اصلی: مناسب برای مهر و موم شدن انتهای شافت ، این نوع مهر و موم اغلب در صنایع نفتی و شیمیایی استفاده می شود
مزایا: اصطکاک کم ، مقاومت در برابر خوردگی ، مقاومت در برابر دمای بالا ، مناسب برای سرعت بالا
مواد: PTFE ، بهار فولاد ضد زنگ
|
نمونه های شیار مهر |
موارد زیر ابعاد شیار استاندارد است (مهر و موم های چرخشی به هر اندازه در محدوده اندازه قابل تولید هستند) |
|||||||||
|
|
|
φd |
φd |
FD1 |
L |
L1 |
حداکثر شکاف اکستروژن S |
|||
|
20 نوار |
100 نوار |
200 نوار |
||||||||
|
5-19.9 |
φd+9 |
φd+5 |
3.6 |
0.85 |
0.25 |
0.15 |
0.10 |
|||
|
20-39.9 |
φd+12.5 |
φd+7 |
4.8 |
1.35 |
0.35 |
0.20 |
0.15 |
|||
|
40-399.9 |
φd+17.5 |
φd+10.5 |
7.1 |
1.8 |
0.50 |
0.25 |
0.20 |
|||
|
≥400 |
φd+22 |
φd+14 |
9.5 |
2.8 |
0.60 |
0.30 |
0.25 |
|||



















































نشانی
شماره 1 جاده رویچن، پارک صنعتی دونگلیوتینگ، منطقه چنگ یانگ، شهر چینگدائو، استان شاندونگ، چین
تلفن
پست الکترونیک