سری RCS ما ، از طریق طراحی حرفه ای و تولید فنی ، نیازهای متنوع مهر و موم های چرخشی میله پیستون را برآورده می کند و راه حل های دقیقی از سناریوهای عمومی تا شرایط کار شدید ارائه می دهد.
از نظر طراحی ساختاری ، مدل های اصلی بر پایداری و سهولت استفاده متمرکز شده اند: RCS101/103 ثبات تعبیه شده را از طریق حلقه های O از قبل محکم یا لب های کمکی ، به ویژه برای سکته های کوتاه ، تقویت می کند. RCS102/104R/117R با بهینه سازی مواد و سازگاری شیار (مانند RCS102R برای سناریوهای فشار بالا شیار استاندارد) از فشارهای بالاتر پشتیبانی می کند. برای سیستم های پنوماتیک ، RCS105/205 برای حفظ روغن کاری روغن روغن و سازگاری با محیط های روانکاری/غیر قابل استفاده ، از طراحی لب ویژه استفاده می کند.
Ruichen Seals همچنین بر نوآوری مواد و عملکردی متمرکز است. مدلهایی مانند RCS118/119/124-129 از پلی تترا فلورو اتیلن (PTFE) یا پلی اورتان به عنوان بدن اصلی ، همراه با چشمه های مانر یا حلقه های O برای تعادل فشار ، برای دستیابی به اصطکاک کم ، مقاومت ضد خشک و مقاومت در برابر خوردگی ، برآورده کردن پاکیزگی و مقاومت زیاد درجه حرارت مورد نیاز شیمیایی و تجهیزات پر کردن مواد شیمیایی استفاده می کنند. RCS129 می تواند یک سیستم آب بندی با RCS101 تشکیل دهد ، که برای ماشین آلات پیاده روی و تجهیزات هیدرولیک سنگین مناسب است. RCS126-128 آب بندی کم فشار را از طریق طراحی قطعه V نامتقارن بهینه می کند و برای صنعت دارویی و شیمیایی سفارشی می شود.
برای شرایط کار پیچیده ، RCS120/138 و سایر مهر و موم های دوتایی دارای طراحی حلقه پشتیبانی یکپارچه هستند که در برابر فشار و اعوجاج بالا مقاوم است و با شیارهای جمع و جور سازگار است. RCS131 یک جایگزین حلقه O است که هم در برابر اکستروژن و هم در برابر شیمیایی مقاوم است و به انتخاب ارجح برای صنعت غذا و دارویی تبدیل شده است. و RCS116/216 می تواند به سرعت سیلندرهای قدیمی را از طریق نصب فیکسچر ترمیم کند تا هزینه های خرابی را کاهش دهد.
سری RCS به مشتریان کمک می کند تا با فشار زیاد ، سرعت بالا ، رسانه های خورنده و چالش های صنعت ویژه مقابله کنند و قابلیت اطمینان تجهیزات و زندگی را بهبود بخشند.
ویژگی ها و برنامه های کاربردی محصول:
مهر و موم های چرخشی میله پیستون برای سیلندرهای هیدرولیک و سیلندرها ، وسایل نقلیه مهندسی ، ماشین آلات کشاورزی ، جرثقیل ها و تجهیزات هیدرولیک دریایی ، ابزار ماشین مناسب هستند.
مورد استفاده در ماشین آلات سنگین صنعتی ، مطبوعات ، صنایع شیمیایی ، سیلندرهای سریع روغن و صنایع غذایی ماشین آلات موقعیت یابی ، صنایع دارویی.
مزایا
مهر و موم های چرخشی میله پیستون در شیار به طور ثابت ، با دامنه دما گسترده ، عملکرد آب بندی استاتیک و پویا عالی و توانایی بازیابی روغن باقیمانده قوی در شرایط پویا تعبیه شده اند. اصطکاک کم ، بدون خزنده ، مقاومت در برابر سایش زیاد ، مقادیر کم استاتیک و اصطکاک ، فقط عملکرد ضد اکستروژن خوب ، هدایت حرارتی خوب و دامنه دما گسترده.
مناسب برای میله های پیستون قدیمی ، نوع باز برای نصب خزنده را باز کنید.

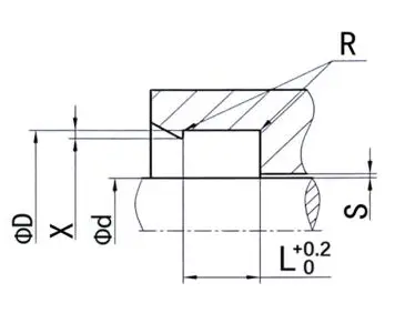
RCS101
اندازه سفارش
φd ...... قطر بیرونی
φd ...... قطر داخلی
L ...... عرض شیار
| پایان سطح | r tmax (μm) | RA (μm) |
| مهر و موم های لاستیکی/پلی اورتان سطح کشویی سطح کشویی مهر و موم های PTFE سطح کشویی سطح | ≤2.5 ≤2 | 0.1-0.5 0.05-0.3 |
| زیر شیار طرف شیار | 6.3 ≤15 | ≤1.6 ≤3 |
| نسبت طول پشتیبانی از پروفایل TP | 50 ٪ -95 ٪ |
|
| تحمل | |
| φd | f8 |
| φd | H10 |
سفارش مثال
مدل: RCS101
اندازه شیار: 100x115x10
مواد: RC-PU-H

نوع مهر: RCS101 ، RCS102 ، RCS103 ، RCS104 ، RCS205 ، RCS106 ، RCS107 ، RCS108 ، RCS117 ، RCS121
کاربرد اصلی: مناسب برای سیلندرهای هیدرولیک و پنوماتیک
مزایا: تعبیه پایدار در شیار ، دامنه دما گسترده ، عملکرد آب بندی استاتیک عالی و پویا ، توانایی استخراج روغن باقیمانده قوی در شرایط پویا.
مواد: پلی اورتان ، لاستیک
| نمونه های شیار مهر | موارد زیر ابعاد شیار استاندارد است (مهر و موم های گرد و غبار به هر اندازه در محدوده اندازه قابل تولید هستند) | ||||||||
![]() |
![]() |
φd | φd | L | ج | حداکثر شکاف اکستروژن | |||
| 100 نوار | 250bar | 400bar | |||||||
| 5-24.9 | φd+8 | 6.3 | 4 | 0.50 | 0.35 | 0.25 | |||
| 25-49.9 | φd+10 | 8 | 5 | 0.50 | 0.35 | 0.25 | |||
| 50-149.9 | φd+15 | 10 | 7.5 | 0.50 | 0.35 | 0.25 | |||
| 150-229.9 | φd+20 | 14 | 10 | 0.50 | 0.35 | 0.25 | |||
| 300-499.9 | φd+25 | 17 | 12.5 | 0.50 | 0.35 | 0.25 | |||
| 500-699.9 | φd+30 | 25 | 15 | 0.50 | 0.35 | 0.25 | |||
| 700 پوند | φd+40 | 32 | 20 | 0.60 | 0.40 | 0.30 | |||
| > 1000 | φd+50 | 40 | 25 | 0.70 | 0.50 | 0.40 | |||

RCS109
اندازه سفارش
φd ...... قطر بیرونی
φd ...... قطر داخلی
L ...... عرض شیار
|
پایان سطح |
r tmax (μm) |
RA (μm) |
|
مهر و موم های لاستیکی/پلی اورتان سطح کشویی سطح کشویی مهر و موم های PTFE سطح کشویی سطح |
≤2.5
≤2 |
0.1-0.5
0.05-0.3 |
|
زیر شیار طرف شیار |
6.3 ≤15 |
≤1.6 ≤3 |
|
نسبت طول پشتیبانی از پروفایل TP |
50 ٪ -95 ٪ |
|
|
تحمل |
|
|
φd |
f8 |
|
φd |
H10 |
سفارش مثال
مدل: RCS109
اندازه شیار: 100x115.1x6.3
مواد: PTFE3+NBR

نوع مهر: RCS109
کاربرد اصلی: وسایل نقلیه مهندسی ، ماشین آلات کشاورزی ، جرثقیل ، تجهیزات هیدرولیک دریایی ، ابزار ماشین.
مزایا: اصطکاک کم ، بدون خزش ، مقاومت در برابر سایش زیاد ، فقط عملکرد ضد اکستروژن خوب ، هدایت حرارتی خوب ، شیار تعبیه پایدار ، دامنه دمای گسترده.
مواد: tetrafluoroethylene ، لاستیک نیتریل یا لاستیک فلوئور
|
نمونه های شیار مهر |
موارد زیر ابعاد شیار استاندارد است (مهر و موم های گرد و غبار به هر اندازه در محدوده اندازه قابل تولید هستند) |
||||||||
|
|
|
φd |
φd |
L |
ج |
حداکثر شکاف اکستروژن |
|||
|
100 نوار |
200 نوار |
400bar |
|||||||
|
5-7.9 |
φd+4.9 |
2.2 |
2.45 |
0.30 |
0.20 |
0.15 |
|||
|
8-18.9 |
φd+7.3 |
3.2 |
3.64 |
0.40 |
0.25 |
0.15 |
|||
|
19-37.9 |
φd+10.7 |
4.2 |
5.35 |
0.40 |
0.25 |
0.20 |
|||
|
38-199.9 |
φd+15.1 |
6.3 |
7.55 |
0.50 |
0.30 |
0.20 |
|||
|
200-255.9 |
φd+20.5 |
8.1 |
10.25 |
0.60 |
0.35 |
0.25 |
|||
|
256-649.9 |
φd+24 |
8.1 |
12 |
0.60 |
0.35 |
0.25 |
|||
|
650-1000 |
φd+27.3 |
9.5 |
13.65 |
0.70 |
0.50 |
0.30 |
|||
|
> 1000 |
φd+38 |
13.8 |
19 |
1.00 |
0.70 |
0.50 |
|||

RCS110-112
اندازه سفارش
φd ...... قطر بیرونی
φd ...... قطر داخلی
L ...... عرض شیار
|
پایان سطح |
r tmax (μm) |
RA (μm) |
|
مهر و موم های لاستیکی/پلی اورتان سطح کشویی سطح کشویی مهر و موم های PTFE سطح کشویی سطح |
≤2.5
≤2 |
0.1-0.5
0.05-0.3 |
|
زیر شیار طرف شیار |
6.3 ≤15 |
≤1.6 ≤3 |
|
نسبت طول پشتیبانی از پروفایل TP |
50 ٪ -95 ٪ |
|
|
تحمل |
|
|
φd |
f8 |
|
φd |
H10 |
سفارش مثال
مدل: RCS110-112
اندازه شیار: 100x120x32
مواد: RC-PU-H+POM

نوع مهر: RCS110-112 ، RCS126-128
کاربرد اصلی: برای ماشین آلات صنعتی سنگین ، پرس
مزایا: مناسب برای میله های پیستون قدیمی ، نوع باز کردن آسان برای نصب خزنده
مواد: پلی اورتان ، پلیوکسی متیلن ، نایلون
|
نمونه های شیار مهر |
موارد زیر ابعاد شیار استاندارد است (مهر و موم های گرد و غبار به هر اندازه در محدوده اندازه قابل تولید هستند) |
|||||
|
|
|
φd |
φd |
L |
ج |
|
|
10-39.9 |
φd+10 |
16 |
5 |
|||
|
40-74.9 |
φd+15 |
25 |
7.5 |
|||
|
75-149.9 |
φd+20 |
32 |
10 |
|||
|
150-199.9 |
φd+25 |
40 |
12.5 |
|||
|
200-299.9 |
φd+30 |
50 |
15 |
|||
|
300-599.9 |
φd+40 |
63 |
20 |
|||
|
600 پوند |
φd+40 |
80 |
20 |
|||
|
> 1000 |
φd+50 |
100 |
25 |
|||

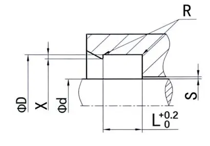
RCS119
اندازه سفارش
φd ...... قطر بیرونی
φd ...... قطر داخلی
L ...... عرض شیار
|
پایان سطح |
r tmax (μm) |
RA (μm) |
|
مهر و موم های لاستیکی/پلی اورتان سطح کشویی سطح کشویی مهر و موم های PTFE سطح کشویی سطح |
≤2.5
≤2 |
0.1-0.5
0.05-0.3 |
|
زیر شیار طرف شیار |
6.3 ≤15 |
≤1.6 ≤3 |
|
نسبت طول پشتیبانی از پروفایل TP |
50 ٪ -95 ٪ |
|
|
تحمل |
|
|
φd |
f8 |
|
φd |
H10 |
سفارش مثال
مدل: RCS119
اندازه شیار: 100x109.4x7.1
مواد: PTFE2+NBR

نوع مهر: RCS119
کاربرد اصلی: صنعت شیمیایی ، سیلندرهای سریع و ماشین آلات موقعیت یابی. صنایع غذایی ، صنایع دارویی.
مزایا: مقاوم در برابر درجه حرارت بالا و رسانه های شیمیایی مختلف ، ضریب اصطکاک کم ، بدون خزش ، ویژگی های اصطکاک خشک خوب ، مقادیر کم استاتیک و اصطکاک.
مواد: PTFE+بهار برگ
|
نمونه های شیار مهر |
موارد زیر ابعاد شیار استاندارد است (مهر و موم های گرد و غبار به هر اندازه در محدوده اندازه قابل تولید هستند) |
|||||||||
|
|
|
φd |
φd |
L |
R |
X |
حداکثر شکاف اکستروژن |
|||
|
100 نوار |
200 نوار |
400bar |
||||||||
|
10-19.9 |
D+4.5 |
3.6 |
0.4 |
0.6 |
0.15 |
0.10 |
0.07 |
|||
|
20-39.9 |
D+6.2 |
4.8 |
0.6 |
0.7 |
0.20 |
0.15 |
0.08 |
|||
|
40-119.9 |
D+9.4 |
7.1 |
0.8 |
0.8 |
0.25 |
0.20 |
0.10 |
|||
|
120-1000 |
D+12.2 |
9.5 |
0.8 |
0.9 |
0.30 |
0.25 |
0.12 |
|||
|
> 1000 |
D+19.0 |
15 |
0.8 |
0.9 |
0.50 |
0.40 |
0.20 |
|||



















































































نشانی
شماره 1 جاده رویچن، پارک صنعتی دونگلیوتینگ، منطقه چنگ یانگ، شهر چینگدائو، استان شاندونگ، چین
تلفن
پست الکترونیک